本文WK3000GP压力羞羞答答视频沃克自动化2017版操作说明资料由优质羞羞答答视频生产报价厂家为您提供。
使用说明书
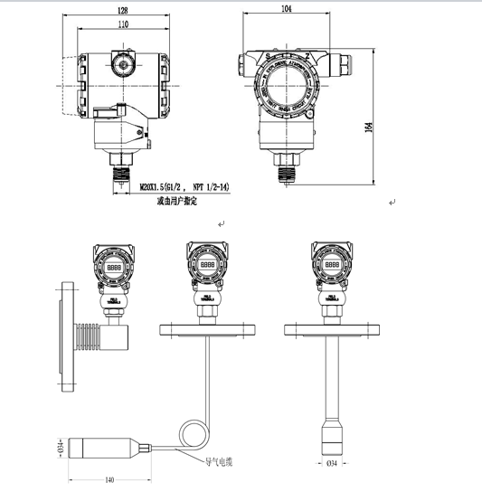
压力羞羞答答视频
检查外包装是否完好,并根据装箱单检查仪器和附件的数量是否齐全。
如果在运输过程中发现仪器损坏,应立即通知承运人和供应商。损坏的票据不能退还给发货人,否则承运人不予赔偿。让包装箱和损坏的零件准备好,以便承运人检查。

开箱时,检查包装是否完好,羞羞答答视频的型号和规格是否与订货合同相符,随附文件是否齐全。
一份测试表
一份说明书
1份证书和保修卡复印件
压力羞羞答答视频 1套
采用特殊的抗干扰技术、电路线性度和温度补偿技术,使抗干扰能力超强,线性度更好,温漂系数更低或超低,温漂系数远低于国内同类普通产品,适用于气体、液体、蒸汽和各种腐蚀性介质的压力测量。广泛应用于石油、化工、冶金、电力、轻工、机械等领域。
石油、化工、冶金、电力、轻工、机械等领域的气体、液体、蒸汽和各种腐蚀性介质的压力测量。
适用于储罐、管螺纹、法兰和夹具的安装。
范围:0 ~ 60 ~ 100兆帕(具体产品范围见产品铭牌)
压力测量形式:表压和绝对压力
过载:2~10倍FS(详见校准记录)
补偿温度:-10~70℃
工作温度:-20~75℃(特殊订单可达300℃)
输出选择:4~20mA
电源电压:24VDC输出形式:2线4〜20mADC
综合精度:0.1
电源电压:12 ~ 30VDC直流,推荐24V直流。电源的变化影响不大。
工作环境:-30~80℃干燥无腐蚀环境。
负载电阻:(VCC-12)/20mA
当前输出分辨率:约1uA
频率响应:20次/秒
温度漂移系数:< 35ppm/℃
显示范围:-19999~99999


1.我公司拥有专业设备对从国外进口的传感器进行检测和筛选,确保生产的羞羞答答视频年稳定性小于0.2%FS或0.5%FS。
2.我公司设计生产的电路板可补偿电路温度,因此温度漂移系数仅为0.02% FS/℃,最高(特殊要求)可达0.01% FS/℃。(目前市场上101、105、106电路板大多用于同类型产品,产生的温度漂移系数一般约为0.05% FS/℃)
3.抗浪涌和抗射频干扰,可应用于变频器等强干扰的工业环境(工业现场将有各种设备交错在一起,对发射机造成功率干扰和射频干扰)。例如大型设备、电机、变频器等。
4.我公司设计生产的电路板可进行4 ~ 20mA的线性补偿,测量的线性精度可达±0.05% FS。
5.反极性和限流保护(一旦羞羞答答视频故障,输出电流信号将达到30 ~ 200毫安(根据现场不同负载),配套显示仪表将烧毁等。)。
6.包装工艺合理,防结露、防水。(订购时的特殊说明)
7.我公司最近设计了一种无极性电路板,4 ~ 20mA的两条线可以随意连接,无论正负。
8.当输出信号为4 ~ 20 mA时,最小范围为0 ~ 100帕;当输出信号为0 ~ 10 (5)伏时,最小范围为0-500帕。
9.最近,我公司推出了防雷产品,大大保证了现场工作中压力羞羞答答视频的可靠性和使用寿命。
1.安装前,请检查标牌上标明的型号、范围和工作电源是否与现场相符;电源应采用稳定的稳压电源。
2.本产品可安装在M20×1.5接口的管道(或容器壁)上,无需安装支架。为了防止测量介质中的固体沉淀或其他粘性物质沉积在羞羞答答视频的压力入口,影响测量精度,建议安装时压力入口应垂直向下(或向下倾斜一定角度)。
3.测量高温介质时,请使用压力管或其他冷却装置将温度降至羞羞答答视频的工作温度范围。
4.当安装在露天时,羞羞答答视频应尽可能放置在通风干燥的地方,以避免阳光直射和雨淋,否则羞羞答答视频的性能会变差或出现故障。
5.当介质为腐蚀性气体(或液体)时,应在采购合同中注明介质的名称、浓度、密度和温度;根据特殊要求,我公司可根据特殊工艺加工生产,以满足用户的不同需求。
6.当羞羞答答视频的测量范围小于或等于5千帕时,安装位置会影响零点输出,所以安装羞羞答答视频后需要调整零点输出。
7.严禁将尖锐坚硬的东西放入压力输入孔。平隔膜羞羞答答视频的隔膜不能用手与任何东西碰撞,否则会造成永久性损坏。
8.当使用隔膜外露结构(即平齐隔膜)类型压力羞羞答答视频时,应定期清洁以避免错误。
9、液位羞羞答答视频电缆不能损坏,否则会造成损坏;禁止触摸探头部分,否则芯片容易损坏。
10.羞羞答答视频为精密仪器,建议长期使用后在相关计量部门进行校准。非专业人员不得随意拆卸,以免损坏。
(1)传感器的接线方法
传感器导线有三种类型:屏蔽电缆连接、天线插头连接和插入式端子连接。用户可以根据自己的应用需求灵活选择输入、输出、零点和满量程位置。接线方法如下图所示:


7.2.1功能键" m "
在测量模式下,短按打开以输入密码设置。
在测量模式下,按住5秒钟以重置主变量(即光伏重置)。
在设置模式下,短按启用参数修改,修改后的参数闪烁,再次短按确认参数修改,修改后的参数停止闪烁。
7.2.2全键“S”
短按测量模式是显示模式修改功能。
在测量模式下按住5秒钟,进入完全调节功能(即校准羞羞答答视频满点)。
在设定模式下,增加一个参数设定功能,增加一个长时间连续换档功能。
7.2.3调零键“Z”
短按测量模式是显示模式修改功能。
在测量模式下按住5秒钟,进入调零功能(即校准羞羞答答视频零点)。
在设置模式中,它是设置参数的移位和减一的功能,并且长时间连续移位或减一。
7.2.4关键功能概述
仪器通过面板上的三个按钮实现所有参数输入和校准数据的设置和采集。采取了各种优化措施来提高客户的运行速度:
仪器的换档键和增加键具有变速功能。
该仪器有移位和增量两种输入方法。shift方法用于需要大量修改的菜单,而increment方法用于需要连续数据输入的菜单。
仪器将在设定状态下停止模拟输出,因此如果用户在60秒内没有操作仪器,它将自动退出到测量状态。
当血糖仪正常退出菜单时,它只会保存所有设置的参数。
7.3快速功能
该仪器具有清除主变量、零点主动迁移和全点主动迁移三种快速功能,方便用户现场快速设置。
7.3.1清除主要变量

主变量的零点清除,即光伏零点清除,是相对大气压力下的零点,而不是传感器范围的零点。将羞羞答答视频直接置于大气压力下,并按下“M”键5秒以上,进入主变量复位功能。如右图所示,菜单区域显示“P=0”。通过“S”和“Z”键选择所需的操作,并相应地显示提示区域:
“否”未经主编批准;
“是”清除编辑器;
“复位”恢复复位操作前的零点;
如果30秒内没有按键操作,血糖仪将返回测量模式。此功能在生产过程中被禁止,适合在现场使用。
7.3.2零主动迁移

零点主动迁移是将当前压力设置为羞羞答答视频的零点输出,向羞羞答答视频施加零点压力,并按下“Z”键5秒以上。仪表将交替显示当前压力值和零点输出电流值,如右图所示。菜单区域显示“LSt”。通过“S”键和“Z”键选择所需的操作,提示区域将相应显示:
“否”不执行零点主动迁移;
零点主动迁移为“是”;
如果30秒内没有按键操作,血糖仪将返回测量模式。此功能在生产过程中被禁止,适合在现场使用。
7.3.3全点主动迁移

全点主动迁移是将当前压力设置为羞羞答答视频的全点输出,向羞羞答答视频施加全点压力,并按下“S”键5秒以上。仪表将交替显示当前压力值和全点输出电流值。如右图所示,菜单区域显示“HSt”。通过“S”键和“Z”键选择所需的操作,提示区域将相应显示:
“否”不执行全点主动迁移;
“是”表示全点主动迁移;
如果30秒内没有按键操作,血糖仪将返回测量模式。此功能在生产过程中被禁止,适合在现场使用。
出厂前,羞羞答答视频已根据用户要求将测量范围、精度和线性度调整到最佳状态。通常,不需要现场调整。
本仪器菜单分为两级:高级用户菜单和普通用户菜单,这两级菜单的区别在于每级菜单的输入密码。
高级用户菜单
接入码为00016,根据羞羞答答视频现场使用要求进行一些特殊设置时使用。
普通用户菜单
输入密码为00001,可以设置显示单位、显示分辨率和显示模式。
注意:设置高级用户和用户菜单时,如果60秒内没有按键操作,将自动退出设置并返回测量模式。
密码设置菜单
主变量调零,即光电调零,是相对大气压力下的零点,而不是传感器范围的零点。将羞羞答答视频直接置于大气压力下,按下“M”键5秒以上,进入主变量复位功能。菜单区域显示“P=0”,并使用“S”键和“Z”键选择要执行的操作。
提示区域会相应显示:
“否”不明确编辑;
“是”清除编辑器;
“复位”恢复复位操作前的零点:
如果30秒内没有按键操作,仪器将返回测量模式。该功能适合现场使用。
锁定:密码输入菜单,设置范围(19999 ~ 99999),菜单提示“密码”
设置菜单输入密码。如果密码输入不正确或在30秒内没有按键操作,它将自动返回测量模式。
普通用户菜单
Unt:用户单位设置,范围可以设置(0 ~ 18),菜单提示是每个设置单位
有19种单位设置,即mpakpapar mbarpsimh2o mmh2o inh2o fth2o mhg mmhg inhg kg/cm2大气压乇米厘米毫米
点:显示精度设置,范围(0 ~ 4)。菜单提示是当前压力单位
显示分辨率是在测量模式下显示的十进制数字,可由用户根据现场使用要求进行设置。显示的十进制数字越多越好。应优先确保显示值的稳定性。同时,该菜单值将受到校准期间羞羞答答视频最大显示值的限制。当显示羞羞答答视频的最大显示值时,如果设定的十进制显示数字超过5位显示范围,则设定的十进制数字将被限制在确保最大显示值能够正常显示的范围内。
例如,羞羞答答视频的校准范围为0.0000 ~ 20.000兆帕;;显示精度的设定范围为(0 ~ 3)。如果显示精度的设定值为4,最大显示值将超过5位数的显示范围。
显示模式设置,设置范围(0 ~ 5)
0-显示主变量,提示-光伏-
显示电流,提示-毫安-
显示百分比,提示-%-
主变量和电流的交替显示,提示光伏毫安
主变量和百分比交替显示,提示PV-%
交流电和百分比,提示ma-%
高级用户菜单
过滤器常数设置,范围(0 ~ 2)
0过滤器低,提示低
过滤期间,提示MId
过滤器HIgh,提示hig
设置的滤波器常量值越大,干扰抑制能力越强,但灵敏度会降低。在生产校准期间,该菜单值的默认值为1,这是一种中等过滤效果,可适用于大多数应用。
BSL:设置传输范围的下限,可以设置范围(-19999 ~ 99999)。菜单提示显示当前压力单位。
该功能可实现变速器输出的零被动迁移,其设定压力值将与SoL零电流菜单的设定电流值相对应。为了方便用户设置,可以通过按键来设置该菜单中的小数点位置,以便用户可以快速设置所需的值。
羞羞答答视频的最小传输范围可根据传感器范围的3: 1进行压缩,最大范围可根据传感器范围的1: 1进行设置。超过该范围将影响变速器输出精度。
BSH:设置传输范围的上限,可以从-19999到99999设置。菜单提示显示当前压力单位。
该功能可实现传输输出的全点被动迁移,其设定压力值将与SoH全点电流菜单的设定电流值相对应。为了方便用户设置,可以通过按键来设置该菜单中的小数点位置,以便用户可以快速设置所需的值。
羞羞答答视频的最小传输范围可压缩为传感器范围的3: 1,最大范围可设置为传感器范围的1: 1。超过该范围将影响变速器输出精度。
SoL:零电流微调,设定范围(-150 ~ 200)
设置该菜单时,仪器将交替显示出厂设置的零电流值和零电流数模微调值,羞羞答答视频将输出设置的电流值。当显示设定的零输出电流值时,菜单提示将显示“输出”,当显示零电流数模微调值时,菜单提示将显示“L-D/安培”。如果在羞羞答答视频使用期间输出的零电流值有误差,可以在羞羞答答视频的电源回路中串联一个电流表,零电流值可以通过S和Z进行微调,电流微调范围约为0.2毫安
SoH:全点电流微调,范围(-150 ~ 200)
设置该菜单时,仪表将交替显示出厂设置的全点电流值和全点电流数模微调值,羞羞答答视频将输出设置的电流值。当显示设定的满点输出电流值时,菜单提示将显示H-OUT,当显示满点电流数模微调值时,菜单提示将显示h-d/a。如果在羞羞答答视频使用过程中输出满点电流值有误差,可以在羞羞答答视频电源回路中串联一个电流表,满点电流值可以通过s和z进行微调,微调范围约为0.2mA..
OFS:显示偏移值,该值可以设置为一个范围(-19999 ~ 99999)。菜单提示显示当前压力单位。
通过设置该菜单值,羞羞答答视频显示和输出值可以偏移。该菜单的出厂默认值为0,通常不需要设置该菜单值。
COE:传感器灵敏度校正系数,范围(0.0001 ~ 1.9999),菜单提示增益
在使用羞羞答答视频的过程中,如果传感器的灵敏度发生变化,可以通过该菜单进行校正。在校正羞羞答答视频灵敏度之前,应通过主变量复位(PV reset)功能来校正羞羞答答视频的零误差,以确保灵敏度校正后的传输线性正常。该菜单的默认值为1.0000。
例如,羞羞答答视频使用一段时间后,其校准范围为0.0000 ~ 20.000兆帕,零点变为0.0050兆帕,全点变为20.160兆帕。此时,羞羞答答视频的零点和灵敏度发生了变化。校正零点误差时,应使用主变量清除功能清除零点误差。主变量清零后,羞羞答答视频的零点为0.0000兆帕,满点为20.110兆帕。然后计算理论满点除以实际满点值以校正其灵敏度,即20.000兆帕/20.110兆帕=0.9945,并将传感器灵敏度校正系数修改为0.9945以校正灵敏度变化。
RSt:恢复工厂数据,设置范围(0 ~ 1)
该菜单功能是将羞羞答答视频的数据恢复到出厂状态。此功能仅在退出设置并保存数据时有效。
0-关闭恢复工厂功能,提示否
打开恢复出厂功能,提示是
1.1.1从设置菜单退出
结束:退出设置菜单,设置范围(0 ~ 1)
0不保存设置值,退出设置状态,提示NSAVE
1保存设定值并退出设定状态。提示保存
珠海华克自动化技术地址(地址):珠海香洲人民西路880号(电话):0752687208,6896986传真:0752681657网站:vccker
《WK3000GP压力羞羞答答视频沃克自动化2017版操作说明》本文地址:http://www.fodan.net/news/js/901.html 转载请勿删除!
全国服务热线